全国服务热线:
+86-372-2595077/2595078/2595088
用途:
本系列产品应用于电液比例控制系统中,与比例控制放大器配套使用,共同控制力士乐(REXRTN)型先导式比例溢流阀。在额定行程及额定电流范围内,其输出力及位移与输入电流(>0.1A)成比例,通过内置反力弹簧,改变了输出力的特性,使系统输出压力更加稳定。输入电流在额定范围内的无级调节,可实现液压系统的无级调节和远距离控制。
主要技术参数
型号 | GV45-4-A |
额定电流 (A) | 0.8 |
常态电阻20℃ (Ω) | 19.5 |
额定吸力 (N) | 90 |
额定行程 (mm) | 1.7 |
全行程 (mm) | 1.7 |
力滞环 (%) | ≤3 |
电流滞环 (%) | ≤3 |
重复精度 (%) | ≤1 |
承受静态油压 (MPa) | 21 |
外壳防护等级 | IP65 |
稳态行程-力特性曲线

位移(mm)
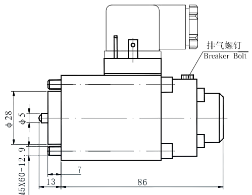
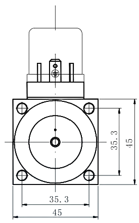
外形及安装尺寸


使用注意事项
● 电磁铁采用符合ISO4400标准的插座。
● 电气控制系统与电磁铁连接部分之间应设有过流保护装置,以免非正常情况下,烧毁电磁铁及您的电控元件。
● 液压系统工作介质为矿物油,磷酸脂油。
● 安装时排气孔朝上,使用时注意将电磁铁内空气排净。
● 电磁铁为连续工作制。
样本说明
● 对超出本样本要求的应用场合,请询问本公司。
● 特性曲线仅供参考。
● 主要特性参数均为实验室条件下获得。本公司保留修改参数的权力。
中文(简体)
English
Русский
Espa?ol